[注]4-12-1,2はPDF版では同じ名称のため、[ ]書きの説明を加えています。
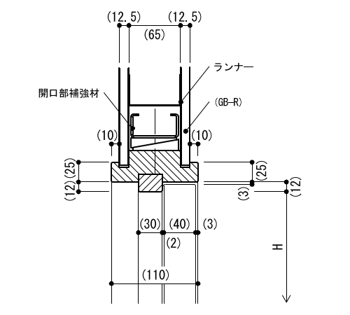
4-12-1 木製建具枠[軽量鉄骨壁(下地張りなし)に取付く場合]
4-12-2 木製建具枠[軽量鉄骨壁(下地張りあり)に取付く場合]
4-12-1 木製建具枠[軽量鉄骨壁(下地張りなし)に取付く場合]
平面
[仕様]
1) スタッド及び開口部補強材等の断面寸法は、公共標仕(建)表14.5.1の65形の場合を示す。
2) 取付けは、公共標仕(建)表12.4.1による。
[特記事項]
1) 枠の塗装の種別
2) 扉の見込み寸法
4-12-2 木製建具枠[軽量鉄骨壁(下地張りあり)に取付く場合]
平面
[仕様]
1) スタッド及び開口部補強材等の断面寸法は、公共標仕(建)表14.5.1の65形の場合を示す。
2) 取付けは、公共標仕(建)表12.4.1による。
[特記事項]
1) 枠の塗装の種別
2) 扉の見込み寸法
このページは、国土交通省のウェブサイトで公開されている官庁営繕の技術基準 建築工事標準詳細図 平成28年版をウェブページ化したものです。




コメント
コメントを投稿