[注]4-52-1,3,4と4-52-2,5はPDF版では同じ名称のため、[ ]書きの説明を加えています。
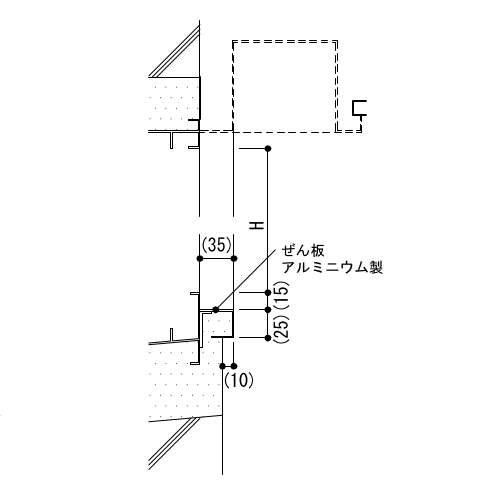
4-52-1 窓回り(ぜん板及び額縁)アルミニウム製の場合[断熱材なし]
2) アルミニウム製のぜん板及び額縁は押出形材とする。
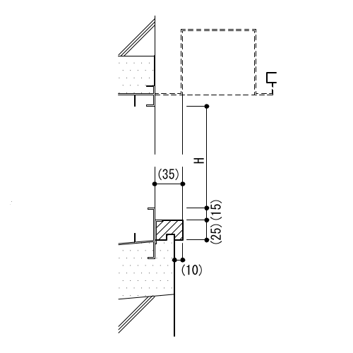
4-52-2 窓回り(ぜん板及び額縁)木製の場合[断熱材なし]
4-52-3 窓回り(ぜん板及び額縁)アルミニウム製の場合[断熱材あり 窓下枠立上り]
2) アルミニウム製のぜん板及び額縁は押出形材とする。
[特記事項]
1) 断熱補修材の材種
4-52-4 窓回り(ぜん板及び額縁)アルミニウム製の場合[断熱材あり]
2) アルミニウム製のぜん板及び額縁は押出形材とする。
[特記事項]
1) 断熱補修材の材種
4-52-5 窓回り(ぜん板及び額縁)木製の場合[断熱材あり]
[特記事項]
1) 断熱補修材の材種
4-52-6 窓回り(ぜん板及び額縁)ぜん板アルミニウム製、額縁モルタルの場合
2) アルミニウム製のぜん板及び額縁は押出形材とする。
4-52-7 窓回り(ぜん板及び額縁)外壁取付け用ガラリ
1) 防鳥網又は防虫網の有無及び線材・線径のメッシュサイズ
2) 断熱材の有無
このページは、国土交通省のウェブサイトで公開されている官庁営繕の技術基準 建築工事標準詳細図 平成28年版をウェブページ化したものです。
















コメント
コメントを投稿